Dwunastu Apostołów II

Opisy budowy jednostek żaglowych
Awatar użytkownika
Mario69
Posty: 0
Rejestracja: 28 lut 2015, 20:15

Re: Dwunastu Apostołów II

Post autor: Mario69 »

Osobiście malowałem lawetę armaty bejcą z lakierem w kolorze orzechowym a samą lufę czarną farbą, matową. Są rożne szkoły i różne pomysły. Generalnie uważam, iż słabo popracowali nad odpowiednimi szczegółami - jak widać okręt ma zdobić ale nie koniecznie oddaje prawdę historyczną. :? Postaram się wrzucić zdjęcia. Nawet nie próbuję modernizować armaty bo tak na prawdę trzeba by ją zrobić od nowa :(
Awatar użytkownika
TomekA
Posty: 586
Rejestracja: 03 paź 2011, 04:04

Re: karonada 1

Post autor: TomekA »

Slawek55 pisze:pierwsza karonada powstała

lufa - oksydowana

koła chyba pomaluję na czarno


To mi wyglada na lawete od zwyklego, tradycyjnego dziala. Lawety karonad wygladaly inaczej - zerknij na zalaczniki (co prawda, to sa karonady na Victorym, ale Ruscy chyba mieli podobne).
Załączniki
Carronade English1.jpg
Carronade English2.jpg
Slawek55
Posty: 0
Rejestracja: 07 kwie 2015, 18:52

karonada 2

Post autor: Slawek55 »

W opisie DA jest użyta nazwa karonada. Rozebrałem i zbudowałem moje "prototypowe" działo raz jeszcze.
Przed rozpoczęciem budowy kolejnych - popracuję nad techniką wybarwiania/lakierowania drewna i uzupełnię zapasy drutów mosiężnych o właściwej średnicy.
:-)
Załączniki
karonada2.jpg
Awatar użytkownika
Karrex
Posty: 1195
Rejestracja: 04 gru 2010, 21:56

Re: karonada 1

Post autor: Karrex »

TomekA pisze:...
To mi wygląda na lawetę od zwykłego, tradycyjnego działa. Lawety karonad wyglądały inaczej - (...) co prawda, to są karonady na Victorym, ale Ruscy chyba mieli podobne.
...

Tomek było się już przyzwyczaić, że "u Ruskich wszystko odwrotnie jak w samolocie". A tak poważnie na początek zacytuję wydawcę XII
Wydawca kolekcji pisze:...
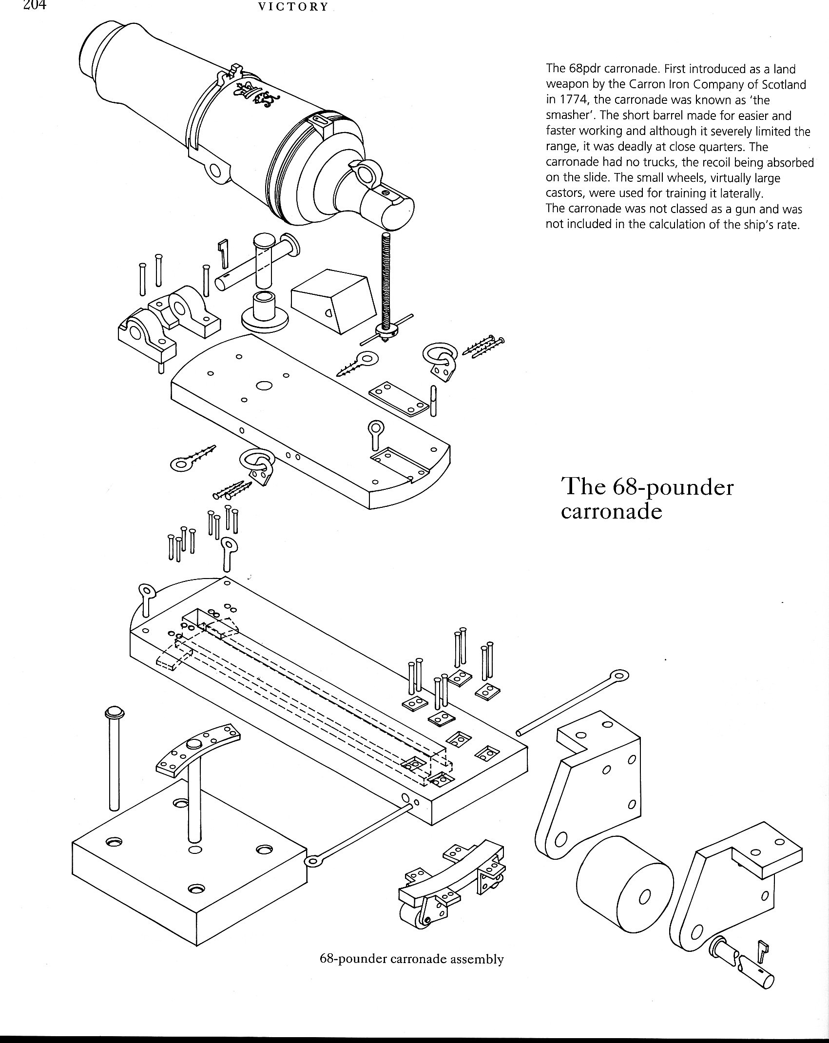
[karonady] Początkowo były odlewane bez uchwytów i montowane na łożach stałych, nieruchomych. Jednak podczas oddawania strzału występowały zbyt duże naprężenia i po pewnym czasie karonady dużego kalibru zaczęto montować na łożach wózkowych. W XIX wieku wycofanie bombard oraz zwiększenie zasięgu artylerii pokładowej doprowadziło do stopniowego usuwania karonad.

Jednak flota rosyjska zachowała szczególny rodzaj broni, zwanej armatą-karonadą. W przeciwieństwie do tradycyjnych dział cechowała ją lżejsza i krótsza lufa. Karonada ta była montowana na zwykłych łożach wózkowych i różniła się od dawnych modeli tym, że była wyposażona w czopy. Lufa miała grubsze ścianki, dzięki czemu można było zwiększyć ilość prochu, a tym samym polepszyć zasięg działa.
...

Plany 24 i 36-funtówki,

Obrazek

które zamieściłem już w tej relacji viewtopic.php?p=70459#p70459 pochodzą z monografii Dwunastu Apostołów niejakiej G. A. Griebienszczikowej viewtopic.php?p=70477#p70477

Żeby było "weselej" to karonada 68-funtowa miała jeszcze inną lawetę:

plan 68-funtówki z w/w monografii
plan 68-funtówki z w/w monografii
68f-konst.jpg (69.31 KiB) Przejrzano 10265 razy

i Ci którzy budują model od podstaw mogą sobie zrobić,

z relacji Konstantina Fomina (konstantin, konstantin.fom)
z relacji Konstantina Fomina (konstantin, konstantin.fom)
68f_konst.jpg (48.73 KiB) Przejrzano 10265 razy

aby postawić obok modelu w gablocie ;) - w kolekcji na dolnych pokładach będą atrapy.
Pozdrawiam
Karol

W stoczni: Santa Maria, San Juan Bautista, Santisima Trinidad, L'Ambitieux

Pozłotnictwo


Obrazek
Awatar użytkownika
TomekA
Posty: 586
Rejestracja: 03 paź 2011, 04:04

Re: Dwunastu Apostołów II

Post autor: TomekA »

Aha! Nie wiedzialem, ze Ruscy mieli to inaczej od reszty swiata. Wielkie dzieki, Karrex za info!
Posciagalem sobie te ilustracje od Ciebie i teraz bede uswiadomiony.
Pozdro.
Awatar użytkownika
Mario69
Posty: 0
Rejestracja: 28 lut 2015, 20:15

Re: Dwunastu Apostołów II

Post autor: Mario69 »

Ciekaw jestem jak DA zaproponuje budowę 68 funtowych luf :-) Mam tylko nadzieję, że będą lepiej wykonane niż 24 funtowe bo żal d....ę ściska. No cóż, pożyjemy - zobaczymy :-)
Awatar użytkownika
borsuk58
Posty: 0
Rejestracja: 12 mar 2015, 08:19

Re: Dwunastu Apostołów II

Post autor: borsuk58 »

Ja uzbrojenie będę robił dopiero jak będę miał wszystkie elementy.
Może być tak ze łoża obecnie pomalowane będą odbiegać kolorystycznie od kolejnych co może się rzucać w oczy , czego chciałbym uniknąć.
Pozdrawiam
Roman
Slawek55
Posty: 0
Rejestracja: 07 kwie 2015, 18:52

Re: Dwunastu Apostołów II

Post autor: Slawek55 »

Z resztą uzbrojenia faktycznie poczekam - ale eksperymentując z "prototypem" troszeczkę się podszkoliłem.
Dzięki podpowiedziom i otrzymanej dokumentacji "wiem więcej". Czeka mnie jeszcze sporo eksperymentów z wykończeniem powierzchni drewna (bejcowanie i lakierowanie).

Niestety trafiłem na pierwszy problem z jakością otrzymanych części - obie części pokładu są wykonane ze sklejki, która rozpada się w palcach. Wysłałem reklamację - ciekaw jestem reakcji DA.
Awatar użytkownika
Karrex
Posty: 1195
Rejestracja: 04 gru 2010, 21:56

Re: 68 funtówki

Post autor: Karrex »

Mario69 pisze:...
Ciekaw jestem jak DA zaproponuje budowę 68 funtowych luf :-) Mam tylko nadzieję, że będą lepiej wykonane niż 24 funtowe
...

Jako takiej "budowy" DeA raczej nie zaproponuje, a i "luf" to zbyt hucznie powiedziane - jak pisałem powyżej będą to ATRAPY (same obrzyny końcówek luf).
Pobierz sobie czwartą stronę 77 zeszytu z włoskiego forum, to będziesz wiedział co da DeA ;)
http://www.deagostinipassion.com/forum/ ... 27322.page
Poza tym załóż własny wątek z budowy XII, bo teraz to zaśmiecamy relację kolegi.
Pozdrawiam
Karol

W stoczni: Santa Maria, San Juan Bautista, Santisima Trinidad, L'Ambitieux

Pozłotnictwo


Obrazek
Slawek55
Posty: 0
Rejestracja: 07 kwie 2015, 18:52

Kadłub

Post autor: Slawek55 »

Otrzymałem ponownie reklamowany nr 13-ty. Prace stoczniowe zostały wznowione - szczególnie gdy pada deszcz ;)

Tak wygląda mój kadłub po zamontowaniu pierwszych giętych elementów.
Załączniki
kadlub_2.jpg
ODPOWIEDZ